
КОНТРГАЙКА [AK608041]
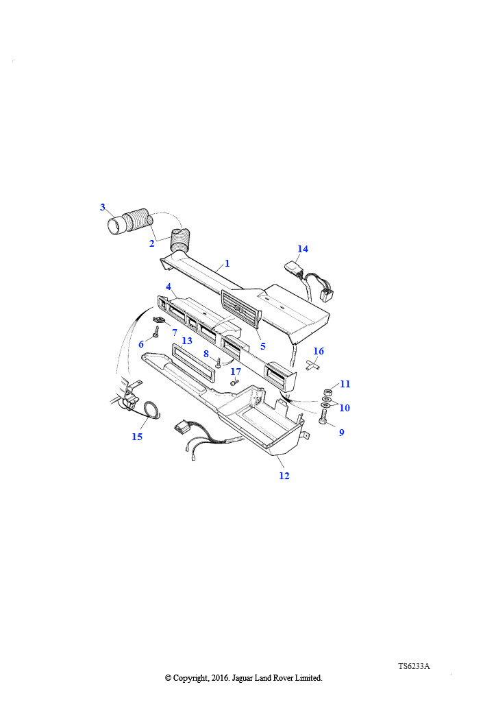
Автомобиль: RANGE ROVER CLASSIC 1986 - 1991 (To HA610293)
Категория: Передняя панель (С Кондиционированием Воздуха)
Номер на схеме: 7
Наличие: Нет
Код: AK608041
Производитель: Неизвестен
Коды аналогов:
Наши гарантии
1. Заявка
Оставьте заявку на сайте
или позвоните нам
2. Подбор
Менеджер подберет необходимые запчасти и свяжется с Вами
3. Получение
Мы доставим Ваш заказ или вы можете забрать его сами
Свяжитесь с нами и мы ответим на интересующие Вас вопросы!
+7 (495) 655-66-55
Заказать звонок!
