
Датчик температуры антифриза D3/RRS/RRN [4346360]
Автомобиль: Discovery Sport 2015
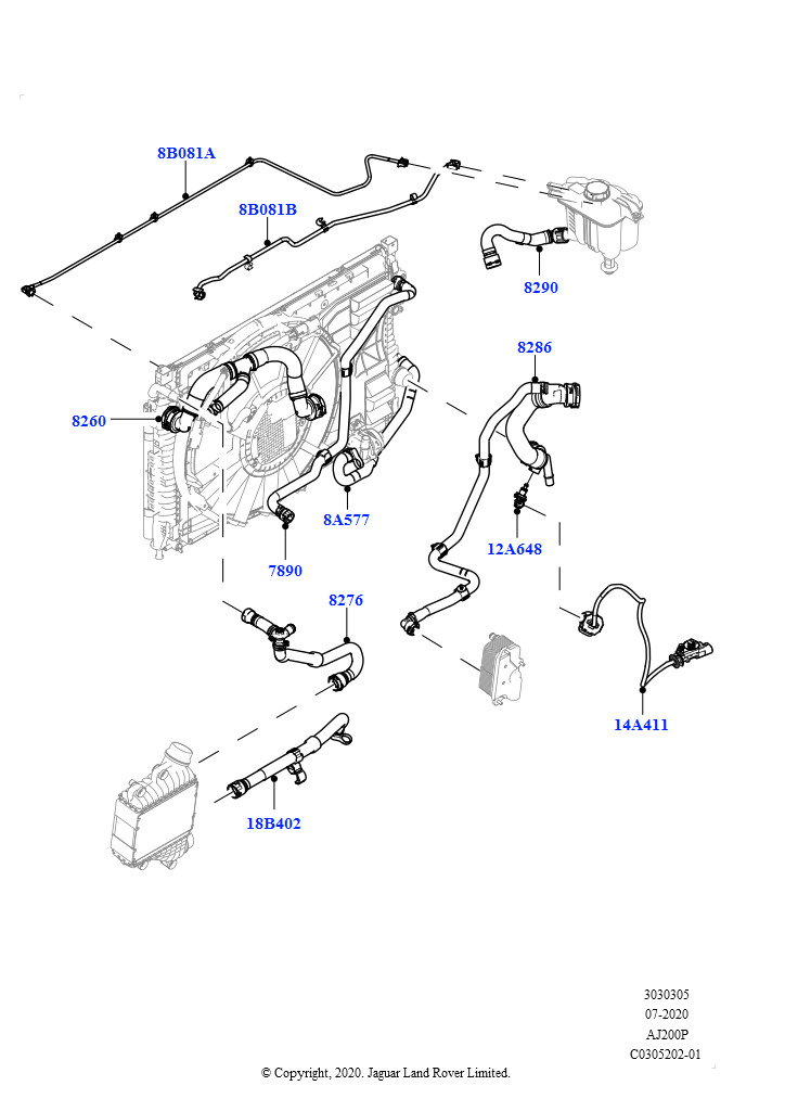
Категория: Трубопр.и шланги сист.охлажд. (2.0L AJ20P4 Petrol E100 NFE, Страна изготовления — Бразилия)
Номер на схеме: 12A648
Наличие: 1 шт.
Код: 4346360
Производитель: Неизвестен
Коды аналогов:
1822418_FORD
4346360_FOR
4346360_GO
4346360_OEM
4346360_QUA
GL2207
LR041442
LR041442_VAR
LR041442ES
QF25A00030_QUATTRO FRENI
Наши гарантии
1. Заявка
Оставьте заявку на сайте
или позвоните нам
2. Подбор
Менеджер подберет необходимые запчасти и свяжется с Вами
3. Получение
Мы доставим Ваш заказ или вы можете забрать его сами
Свяжитесь с нами и мы ответим на интересующие Вас вопросы!
+7 (495) 655-66-55
Заказать звонок!
